Länkhuvud Innergänga Vänster M16X2 Skf
Förpackad om 1/5 st.
Lägg till en bevakning så meddelar vi dig så snart varan är i lager igen.
Länkhuvud Innergänga Vänster M16X2 Skf
Förpackad om 1/5 st.
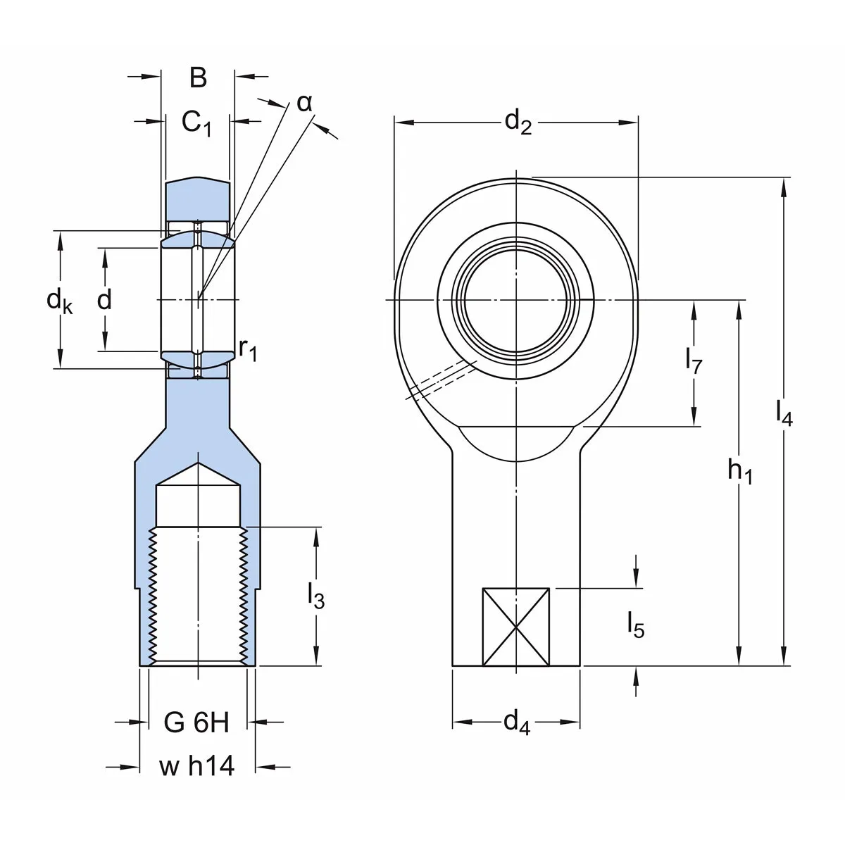
Mått:
- håldiameter (d) 17 mm
- diameter, huvud (d2) max. 47 mm
- innerringens bredd (B) 14 mm
- gänga (G) M16
- bredd på huvud (C1) max. 11,5 mm
- höjd, skaftände - mittpunkt ögla (h1) 67 mm
- lutningsvinkel (α) 10 °
- diameter, rullande yta innerring (dk) 25 mm
- diameter, skaft (d4) 25 mm
- läng på gänga (l3) min. 24 mm
- längd (höjd), hus (l4) max. 92 mm
- längd, flat nyckel (l5) 15 mm
- avstånd, skaft fas - mittpunkt ögla (l7) min. 22 mm
- nyckelstorlek (w) 22 mm
- hålets fasmått (r1) min. 0,3 mm
- dynamiskt bärighetstal (C) 21,2 kN
- statiskt bärighetstal (C0) 44 kN
- specifik dynamisk belastningsfaktor (K) 100 N/mm²
- materialkonstant (KM) 330
Beskrivning
Lägsta prisgaranti!
Snabb frakt från 49:- och fraktfritt över 1 499:- på 99% av sortimentet.
Hämta fraktfritt i Nyköping eller Älvsered!
Vi är en svensk butik med svensk adress och organisationsnummer!
Hos oss ska du känna dig trygg - Garantier enligt Svensk standard och heltäckande reservdelsportfölj.
