Nav 49X200 5X66X112 775Kg
Garanti 1 år. Förpackad om 1/200 st.
Lägg till en bevakning så meddelar vi dig så snart varan är i lager igen.
Nav 49X200 5X66X112 775Kg
Garanti 1 år. Förpackad om 1/200 st.
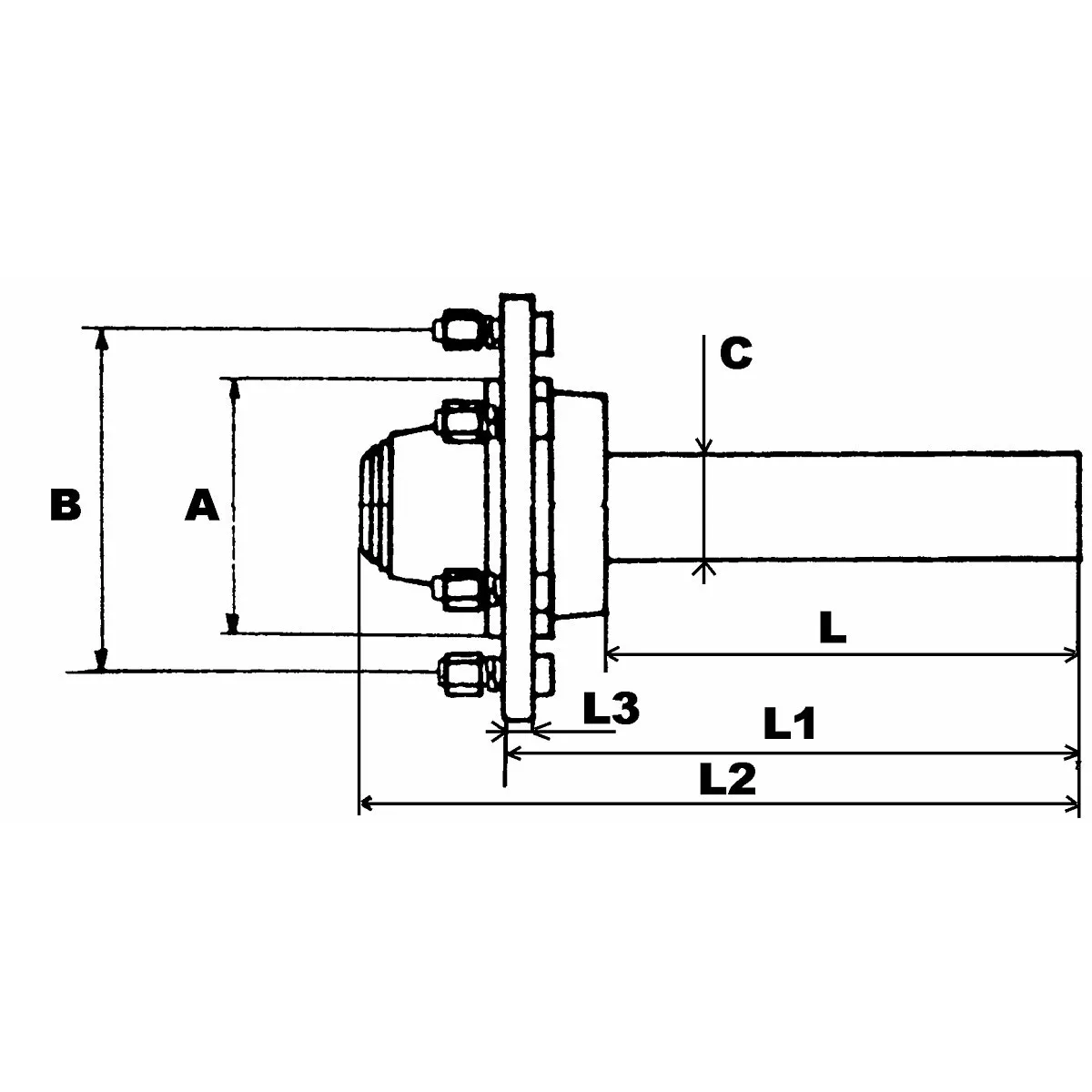
- A: 66
- B: 5 x 112
- C: 49
- D: 145
- L: 155
- L1: 200
- ET: 30
- last 775 kg
Beskrivning
Lägsta prisgaranti!
Snabb frakt från 49:- och fraktfritt över 1 499:- på 99% av sortimentet.
Hämta fraktfritt i Nyköping eller Älvsered!
Vi är en svensk butik med svensk adress och organisationsnummer!
Hos oss ska du känna dig trygg - Garantier enligt Svensk standard och heltäckande reservdelsportfölj.
