Obromsat Nav 500Kg 5X112
Garanti 1 år. Förpackad om 1 st.
Lägg till en bevakning så meddelar vi dig så snart varan är i lager igen.
Obromsat Nav 500Kg 5X112
Garanti 1 år. Förpackad om 1 st.
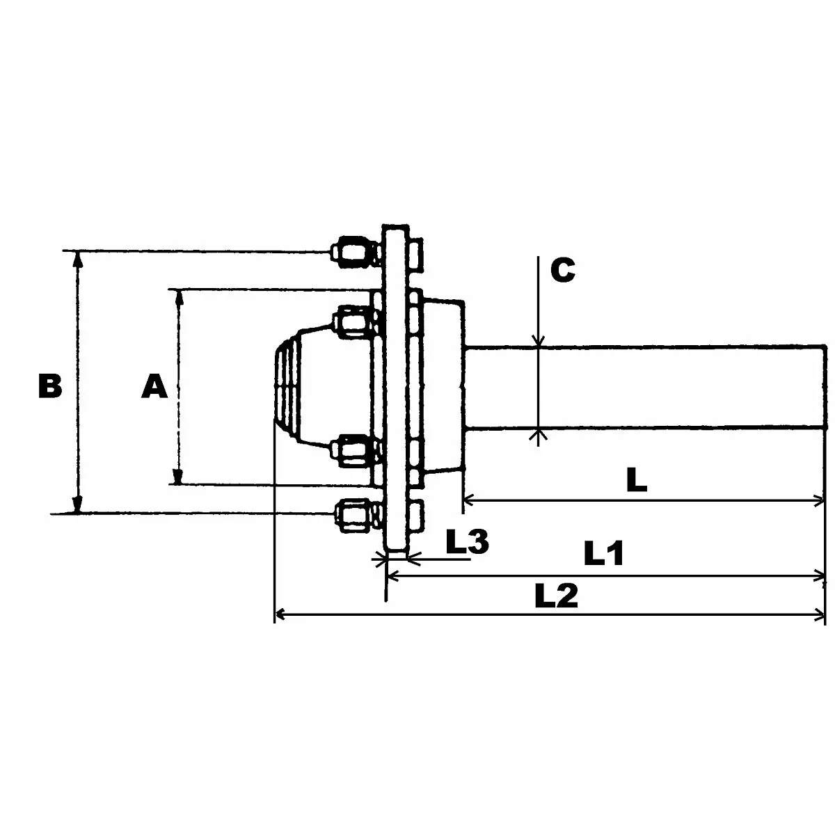
- rekommenderas för HA-släpvagnsbruk
- A: 57
- B: 5 x 112
- C: 40
- D: 165
- L: 150
- L2: 260
- L3: 15
- ET:35
- lastkapacitet 500 kg
Beskrivning
Lägsta prisgaranti!
Snabb frakt från 49:- och fraktfritt över 1 499:- på 99% av sortimentet.
Hämta fraktfritt i Nyköping eller Älvsered!
Vi är en svensk butik med svensk adress och organisationsnummer!
Hos oss ska du känna dig trygg - Garantier enligt Svensk standard och heltäckande reservdelsportfölj.
