Spårkullager 10X32X9 Skf
Lägg till en bevakning så meddelar vi dig så snart varan är i lager igen.
Spårkullager 10X32X9 Skf
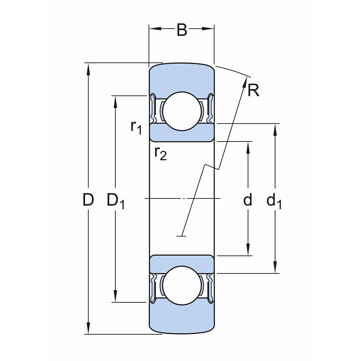
Mått:
- ytterdiameter (D) 32 mm
- håldiameter (d) 10 mm
- bredd (B) 9 mm
- innerringens skulderdiameter (d1) 17 mm
- diameter för släppningen av ytterring (D1) 24,8 mm
- profil, löpyta (krona) ytterring (R) 400 mm
- fasmått (r1,2) min. 0,6 mm
- dynamiskt bärighetstal (C) 4,68 kN
- statiskt bärighetstal (C0) 2,04 kN
- utmattningsbelastning (Pu) 0,085 kN
- maximal dynamisk radiell belastning (Fr) max. 3,45 kN
- maximal statisk radiell belastning (F0r) max. 5 kN
- gränsvarvtal 12000 r/min
- beräkningsfaktor (f0) 13,1
Beskrivning
Lägsta prisgaranti!
Snabb frakt från 49:- och fraktfritt över 1 499:- på 99% av sortimentet.
Hämta fraktfritt i Nyköping eller Älvsered!
Vi är en svensk butik med svensk adress och organisationsnummer!
Hos oss ska du känna dig trygg - Garantier enligt Svensk standard och heltäckande reservdelsportfölj.
