Spårkullager 20X32X7 Skf
Förpackad om 1/10 st.
Lägg till en bevakning så meddelar vi dig så snart varan är i lager igen.
Spårkullager 20X32X7 Skf
Förpackad om 1/10 st.
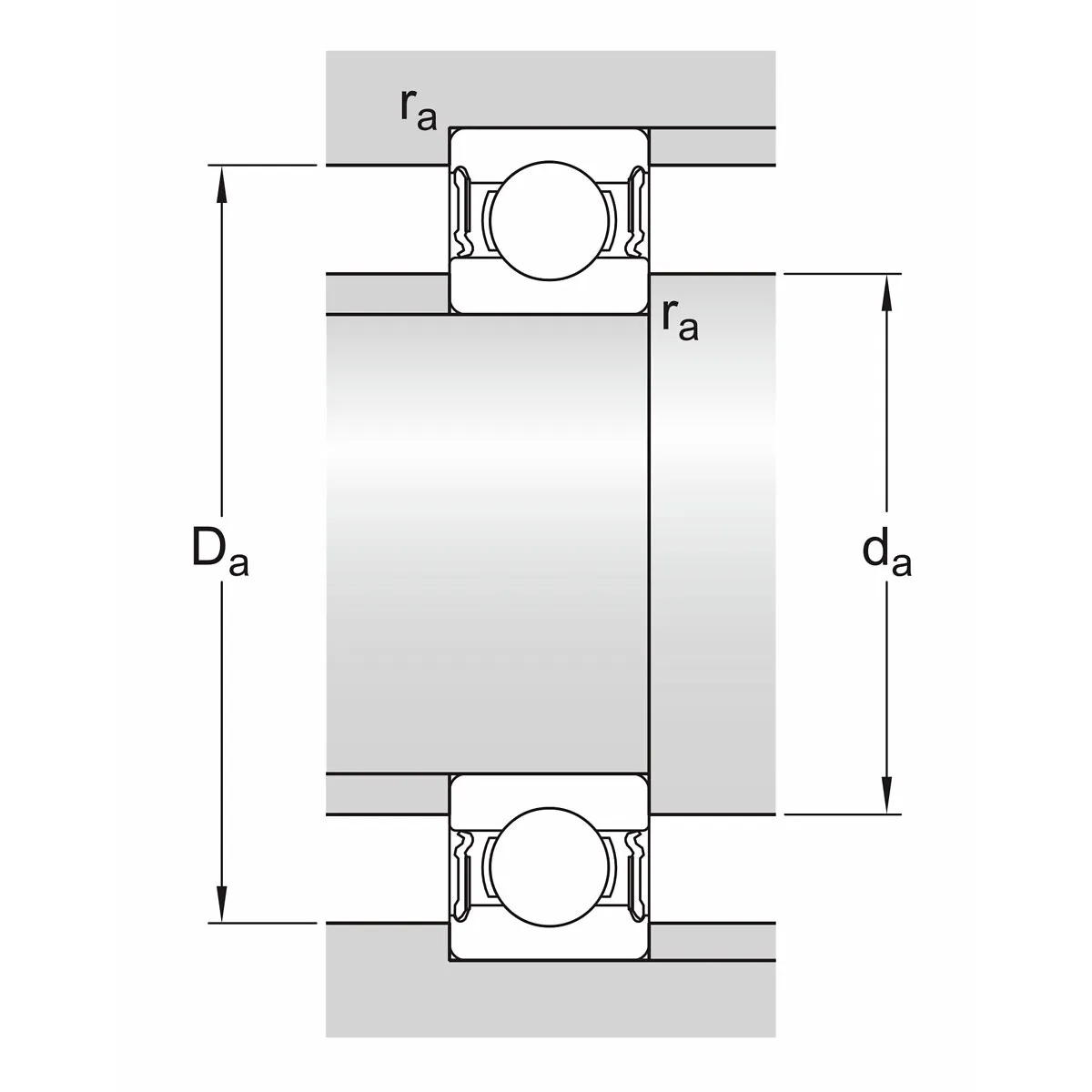
Mått:
- håldiameter (d) 20 mm
- ytterdiameter (D) 32 mm
- bredd (B) 7 mm
- innerringens skulderdiameter (d1) 23,85 mm
- diameter för släppningen av ytterringens skuldra (D2) 29,4 mm
- ytterringens fasmått (r1,2) min. 0,6 mm
- axelns inbyggnadsdiameter (da) min. 22 mm
- axelns inbyggnadsdiameter (da) max. 23,6 mm
- inbyggnadsdiameter för hus (Da) max. 30 mm
- kälradie (ra) max. 0,3 mm
- dynamiskt bärighetstal (C) 4,03 kN
- statiskt bärighetstal (C0) 2,32 kN
- utmattningsbelastning (Pu) 0,104 kN
- gränsvarvtal 13000 r/min
- beräkningsfaktor (kr) 0,015
- beräkningsfaktor (f0) 14,5
Beskrivning
Lägsta prisgaranti!
Snabb frakt från 49:- och fraktfritt över 1 499:- på 99% av sortimentet.
Hämta fraktfritt i Nyköping eller Älvsered!
Vi är en svensk butik med svensk adress och organisationsnummer!
Hos oss ska du känna dig trygg - Garantier enligt Svensk standard och heltäckande reservdelsportfölj.
